Otoliths Picture
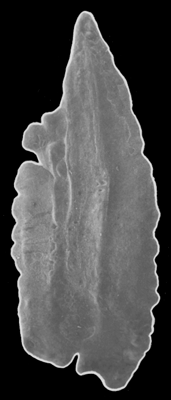
Otoliths of Promethichthys prometheus
Type Length of fish
(mm)
Length of otolith
(mm)
Height of otolith
(mm)
Face Position Locality
sagitta 115  3.35  1.4  inner  left  PNG, cs Thunnus albacares (JAP 1, LL.6)

PRPRO_o2.gif

(PRPRO_o2.gif) by IRD

Back to Search
Back to Top
php script by elaxamana, 19/08/09 ,  last modified by elaxamana, 19/08/09